Раковина для ванной с пьедесталом: технология установки и подключения
Эстетичность раковины, выполненной в форме тюльпана, устойчивость и практичность этого вида сантехники привлекает многих собственников городских квартир и загородного жилья. Правда стоимость прибора плюс цена сборки с подключением несколько охлаждает. Согласны? Однако есть способ сокращения расходов – установка своими руками.
В представленной нами статье рассмотрены разновидности удобного и красивого вида сантехнического оборудования. Мы расскажем, как монтируется и фиксируется раковина для ванной с пьедесталом. Для самостоятельных мастеров детально описана технология подключения популярной сантехнической чаши с опорной ножкой к коммуникациям.
Преимущества раковины с пьедесталом
Разновидность раковины с пьедесталом или постаментом ещё называют тюльпаном из-за схожести их внешнего вида с одноименным цветком формой и красотой.
Несмотря на простоту конструкции, дизайнерских вариантов этого оборудования хватает, чтобы гармонично вписать его в любой современный интерьер.

В странах ЕС и США из-за вертикального устройства канализационного стояка пьедестал имеет красивую круглую форму и не приставлен к стене
Целые столетия раковины-тюльпаны пользуются популярностью у людей благодаря таким положительным свойствам:
- Универсальность. Раковину с пьедесталом можно поставить в любой закуток ванной комнаты из-за разнообразия её формы, цвета и величины.
- Компактность. Пристеночный характер раковины позволяет минимизировать занимаемое пространство, а место под раковиной можно использовать для дополнительных полочек.
- Эстетичность. Пьедестал скрывает неприглядные канализационные и водопроводные коммуникации.
- Финансовая доступность. Материал раковин может быть различным по стоимости, но большую часть ассортимента составляют бюджетные комплекты.
- Простота установки. Большинство моделей крепятся к стене двумя болтами, а пьедестал вообще не фиксируется крепежом, оставаясь зажатым между раковиной и полом.
Большинство недостатков раковин с пьедесталом обусловлены их материалом изготовления: фаянсовые и стеклянные изделия довольно хрупкие и чувствительны к ударам, а металлические и эмалированные могут менять цвет при плохом уходе.
Галерея изображенийФото из Раковины с пьедесталом — отличный выбор для обустройства частного дома с расположенным в перекрытии выпуском в канализацию. В квартирах устанавливают модели с продольным зазором по всей высоте на задней стенке ножки Раковину с опорой на пьедестал необязательно устанавливать возле капитальной стены. Вполне подойдет межкомнатная перегородка Пьедестал позволяет идеально скрыть не самые привлекательные места подключения коммуникаций и сифон сантехники Опирающаяся на пьедестал раковина идеально подходит для небольших ванных комнат, в которых нет возможности закрепить сантехнику на несущей стене, расположить инсталляцию для фиксации подвесного прибора и расположить мебель для опирания чаши Накладкная раковина с установкой на пьедесталПьедестал — надежная опора для чашиМаскировка мест подключения и сифонаПрибор для небольших ванных комнат
Виды раковин и постаментов для ванной
Любая раковина представляет собой чашу, которая может иметь несколько отверстий: для нижнего слива, для установки крана и для бокового спуска избыточного количества воды. Каждый производитель реализует в моделях свои инженерные решения, поэтому четких вариантов, как можно установить раковину с пьедесталом, не существует.
Классификация по методу крепления
По механизму крепления и декоративному оформлению коммуникаций можно выделить пять основных видов раковин.
Врезные. Такая раковина монтируется в стационарную столешницу двумя способами:
При верхнем креплении в столешницу входить лишь горлышко раковины, а её основная часть расположена над столешницей. При нижнем расположении внешний вид раковины похож на кухонную мойку, у которой над столешницей выступает только фиксирующая кромка.

У врезных раковин зачастую имеется только одно отверстие для слива воды, а смеситель в этом случае монтируется на стену или столешницу
Подвесные (консольные). Такие чаши раковин крепятся прямо к стене болтами или с помощью кронштейнов. Коммуникации у них остаются снизу открытыми или скрываются впоследствии в подраковинных шкафчиках.

Преимуществом навесных раковин является наличие под ними свободного места, которое можно использовать для размещения шкафчиков или сантехнического инвентаря
Раковины с пьедесталом. Отличаются от подвесных наличием специального постамента, обеспечивающего дополнительную поддержку и эстетично скрывающего все коммуникации.

Раковины с прилегающим пристеночным пьедесталом можно устанавливать лишь в санузлах, в которых отсутствуют пролегающие вдоль стен водопроводные коммуникации
Раковины с полупьедесталом. Отличие полупьедестала от пьедестала заключается в том, что первый имеет небольшую длину и не достает для пола. Полупьедестал крепится под раковиной самостоятельно и выполняет только декоративную роль для скрытия труб и сифона.

Если необходима раковина для ребенка, то вариант с полупьедесталом – идеальное решение, ведь её можно опустить до 60-70 см
Мебельные. Раковины этого типа имеют индивидуальную форму креплений, которая подходит лишь под идущую с ними в комплекте мебель.

Дизайнерские раковины обычно не требуют фиксации к стене, а устанавливаются непосредственно в мебельный комплект с помощью специальные креплений
Большинство мебельных раковин дорогостоящие и производятся только именитыми брендами.
О том, как выбрать сантехническую раковину для установки в ванной комнате по размерам, подробно рассказано в статье, с которой мы рекомендуем ознакомиться.
Разновидности материала раковин
От внешнего облика раковин для ванной и материала их изготовления во многом зависит стоимость изделий. Можно купить и дешевую эмалированную мойку, но красоты санузлу она точно не добавит.

Каждое покрытие раковины имеет оптимальные средства ухода, которые обеспечивают предохранение поверхности от царапин с сохранением чистящих свойств
Наиболее распространенными материалами для современных раковин являются:
- Фаянс. Самый дешевый и непритязательный материал, из которого делают большинство сантехники. Его недостатком является изменение цвета покрытия и появление микротрещин через несколько лет эксплуатации.
- Фарфор. В отличие от фаянса, фарфоровые изделия проходят двухступенчатый прожиг, поэтому имеют более белоснежное покрытие, цвет которого практически не меняется с годами.
- Керамогранит или искусственный камень. Преимуществом данного материала является его прочность, устойчивые параметры внешнего покрытия и легкость удаления красящих веществ при попадании их на поверхность.
- Натуральный камень. Это имиджевый дорогостоящий материал, раковины из которого рационально устанавливать в интерьере из естественных материалов. Его недостатком является наличие микротрещин на поверхности, из-за чего вывести попавшее на поверхность красящееся вещество практически невозможно.
- Стекло. Раковины из стекла можно изготовить любого цвета. Они дороже фаянса, но дешевле искусственного камня. На стеклянной поверхности сильно видны водяные разводы, поэтому для поддержания её красоты необходимо регулярно протирать поверхность тряпочкой.
Возможно изготовление раковин из стали, меди, пластика и других материалов. Их форма может быть круглой, квадратной, угловой или овальной.
Демонтаж старой сантехники
В случае установки новой раковины вместо старого оборудования важно знать последовательность действий для удаления старой сантехники.

Во время демонтажа раковины желательно одеть одежду, которую не страшно безвозвратно испортить, ведь брызги осадочных отложений с сифона содержат много жира и грязи
При демонтаже прежней раковины проводятся работы в такой последовательности:
- Перекрывается вода, и откручиваются вентили крана.
- Убирается при наличии пьедестал.
- Откручивается крепление смесителя внизу раковины и снимается кран.
- Отвинчивается сифон с горлышка раковины, осторожно сливается с него вода.
- Патрубок сифона вытягивается с канализационного отверстия, которое закрывается специальной пробкой или полиэтиленовым пакетиком для перекрытия неприятных запахов.
- Откручиваются гайки, которые фиксируют раковину, и она снимается.
При установке новой сантехники желательно не использовать старые гибкие водопроводные шланги и сифон, которые могут протекать при повторном монтаже из-за изношенности резиновых прокладок.
Монтаж раковины с пьедесталом
Закончив демонтаж старой сантехники и уборку помещения, можно начинать установку новой раковины с пьедесталом. Далее будет рассмотрена пошаговая инструкция этого процесса для лучшего понимания нюансов монтажа.
Независимо от дизайна и индивидуальных особенностей модели, установка раковины с пьедесталом и подключение коммуникаций выполняется в стандартном порядке:
Галерея изображенийФото из Перед выполнением работ по креплению раковины и подключению ее к коммуникациям установим пьедестал на выбранное место, поместим на него чашу и, выровняв ее, отметим точки для крепления прибора Снимаем раковину и убираем ее в сторону, перемещаем пьедестал и производим точную разметку точек фиксации чаши с учетом диаметра креплений В отмеченных точках бурим отверстия для установки дюбелей, в которые будут закручены монтажные шпильки. Глубина отверстия примерно на 1 см должна быть больше длины дюбеля, чтобы строительная пыль не помешала установке Устанавливаем в отверстия сначала дюбеля, затем металлические стержни с резьбой — шпильки Перед монтажом и фиксацией раковины на стене снабжаем ее донным клапаном или обычным сливным устройством с решеткой Надеваем сантехнический прибор на установленные для него шпильки. Фиксируем положение крепежа со скрытой стороны После установки раковины собираем смеситель и сливной участок трубопровода с сифоном, которые будет подключаться к канализации Подключаем к смесителю гибкую подводку, которая будет соединять устройство с линиями ГВС и ХВС. Фиксируем смеситель фигурными пластинами. Сливной участок с сифоном подключаем к канализации Шаг 1: Примерка раковины к месту установки и разметкаШаг 2: Разметка точек под установку монтажных шпилекШаг 3: Бурение отверстий под дюбеля шпилекШаг 4: Закручивание крепления раковины в дюбельШаг 5: Установка донного клапана в слив раковиныШаг 6: Завинчивание крепежа в фиксирующих точкахШаг 8: Сборка смесителя для установки на раковинуШаг 8: Подключение смесителя к водоснабжению
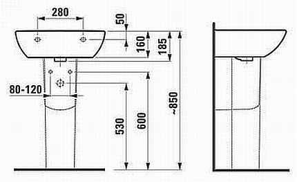
Шаг первый: определение высоты расположения раковины. Согласно СНиП высота верхней кромки раковины над полом должна равняться 80-85 см. Но для высоких людей её можно увеличить до 90-95 см, а если в большой ванной устанавливается отдельная раковина для детей, то высоту можно уменьшить до 65-70 см.
Конкретный уровень решается на семейном совете, исходя из пожеланий каждого человека. После окончательного выбора высоты расположения раковины, на стене проводится строго горизонтальная линия, которая проверяется с помощью строительного уровня.

Определиться с уровнем необходимо до покупки оборудования, так как изменить высоту пьедестала можно только заменив полностью комплект сантехники в магазине
Шаг второй: примерка раковины. Под стену ставится пьедестал, на который сверху одевается раковина. Её верхний край выравнивается по нарисованному на стене уровню, после чего внизу раковины маркером намечаются места для сверления крепежных отверстий. Затем оборудование убирается в сторону.

При примерке необходимо проверять точность уровня в обеих горизонтальных плоскостях, чтобы не было наклона чаши в сторону стены
Шаг третий: установка стержней для навешивания раковины. В намеченных местах просверливаются отверстия на глубину не менее 700 мм. Стена должна быть из плотного материала, а не рассыпаться под воздействием сверла. Ненадежные перегородки могут привести к падению раковины и травме ног.

После просверливания отверстий в них вставляются соответствующей длины дюбеля. Затем необходимо вкрутить в отверстия специальные стержни, на которые будет одеваться раковина

В прочные бетонные стены лучше вкручивать анкерные болты. Они несколько дороже обычных дюбелей, но крепление с их помощью на порядок надежнее
Шаг четвертый: повторная примерка раковины. Аналогично второму шагу производится примерка оборудования с учетом ввинченного крепежа. Если крепеж расположен правильно и горизонтальный уровень соблюден, то раковину и пьедестал отставляют в сторону.

Для более плотного прилегания раковины к стенке и исключения сколов можно нанести по её заднему периметру полоску силикона
Шаг пятый: установка сифона и смесителя на раковину. Чтобы не мучиться с недостатком места при монтаже крана и сифона на уже установленную сантехнику, проще сделать это до крепления чаши раковины на стену.
К каждому сантехническому изделию прилагается схема и последовательность его монтажа, поэтому прикручивание канализационного сифона и крана не должно вызвать затруднений. Смазывать герметиком стыки на отверстиях раковины не нужно, в этих местах для герметизации должно хватить резиновых прокладок.
Подключение к канализации и установка сифона производится в следующем порядке:
Галерея изображенийФото из На сливной патрубок устанавливаем декоративную накладку, которой впоследствии закроем узел подключения к канализации, уплотнители и гайки для фиксации соединений. С противоположной стороны ставим уплотнитель и заводим патрубок в сифон Для подключения к сливу из раковины собираем второй патрубок, на который также ставим прокладку и гайку Разворачиваем сифон так, чтобы он принял вертикальное положение, ставим на верхнюю резьбу кольцеобразный уплотнитель. В нашем примере сифон не подсоединяется непосредственно к сливу, а подключается к фитингу с отводом для трубки перелива. К патрубку сифона будет подключаться стиралка Стараясь не сместить уплотнитель аккуратно закручиваем соединительную пластиковую гайку вручную. Инструментом здесь пользоваться не стоит, чтобы не повредить пластиковые детали Для подключения стиралки снимаем с патрубка сифона заглушку и ставим вместо него фитинг, к которому будет подсоединен сливной шланг Фитинг, предназначенный для подключения сливного шланга, располагаем под оптимальным углом. Гайку, как и все предыдущие элементы соединения, пока не затягиваем, чтобы потом отрегулировать по факту Проверяем вертикальность положения сифона, при необходимости исправляем его. Затем затягиваем все гайки в узлах соединения до упора Подключаем воду, проверяем герметичность соединений и работу сифона. Если все нормально, устанавливаем пьедестал Шаг 1: Сборка сливного патрубка для подключения кканализацииШаг 2: Сборка патрубка для соединения с раковинойШаг 3: Укладка прокладки в узел соединения сифона со сливомШаг 4: Закручивание соединительной гайки на фитингеШаг 5: Установка фитинга для подключения слива стиральной машинкиШаг 6: Крепление фитинга гайкой без затягиванияШаг 7: Корректировка положения сифона и фиксацияШаг 8: Установка пьедестала для маскировки узлов
Шаг шестой: установка раковины и подключение коммуникаций. Раковину с одетым сифоном и краном навешивают на крепежные болты. Между чашей и стеной, а также перед фиксирующей гайкой на стержни одевают специальные мягкие прокладки. Они предупреждают сколы керамического покрытия при затягивании крепежа.
Гайки несильно затягивают руками, после чего начинают подключение шлангов к водопроводным трубам и канализации. После подсоединения коммуникаций проводят пробное открытие воды.

Патрубок сифонного слива перед вставкой в канализацию следует смазать тонким слоем силикона – это облегчит процесс всовывания и лучше загерметизирует соединение
Шаг седьмой: установка пьедестала. Если протечек в системе нет, то можно подставлять пьедестал под висящую раковину. Окончательное закручивание фиксирующих гаек необходимо производить после выравнивания края раковины по горизонтальной черте, нарисованной на стене.
Сантехника готова к использованию. Для декора можно замазать шов между раковиной и стеной белым герметиком.
Особенности монтажа полупьедестала
Если в качестве оборудования, закрывающего коммуникации раковины, выбран полупьедестал, то необходимо знать об отличиях его монтажа от установки классического «тюльпана».

Если полупьедестал идет в комплекте с раковиной, то они могут крепиться на единый кронштейн, прикрученный к стене
Первые шесть выше рассмотренных шагов по креплению раковины к стене и подсоединению коммуникаций остаются без изменений.
Дальнейшие действия необходимо проводить в такой последовательности:
- Так как полупьедестал имеет собственные крепления, то после установки раковины необходимо примерить изделие к стене и наметить места сверления отверстий под болты.
- Просверлить дрелью стену и всунуть в отверстия дюбеля.
- Приставить полупьедестал и прикрутить его к стене болтами, подложив между изделием и стеной, а также перед фиксирующей гайкой резиновые прокладки.
На полупьедестал не переносится масса раковины, поэтому стараться посильнее прикрутить его к стене не нужно.
Выводы и полезное видео по теме
Видеосюжеты позволяют лучше соединить в голове части целого, представленные в виде печатного текста. Поэтому нижеприведенные ролики помогают создать общее видение процесса установки раковины на различные варианты пьедесталов.
Видео #1. Установка раковины на пьедестал с дополнительным коробом:
Видео #2. Установка раковины:
Видео #3. Монтаж раковины на тумбу:
Описанные методы установки раковины и пьедестала, а также нюансы их монтажа позволят выполнить эти работы самостоятельно. Главное, правильно выбрать оборудование и соединительные детали к нему, а остальное можно легко сделать с помощью предложенных приемов и простых домашних инструментов.
Пишите, пожалуйста, комментарии в расположенном ниже блоке. Задавайте вопросы, размещайте полезную информацию и фотоснимками по теме статьи. А может, вы хотите поделиться личным опытом в установке раковины с пьедесталом?