Устройство и схема диммера

В этой статье рассмотрим устройство, которое продается в магазинах электротоваров, как регулятор яркости ламп накаливания. Речь идет о диммере. Название «диммер» произошло от английского глагола «to dim» — темнеть, становиться тусклым. Иначе говоря, диммером можно регулировать яркость лампы. При этом замечательно то, что и потребляемая мощность уменьшается пропорционально.
Простейшие диммеры имеют одну поворотную ручку для регулировки, и два вывода для подключения, и используются для регулировки яркости ламп накаливания и галогенных ламп. В последнее время появились диммеры и для регулировки яркости люминесцентных ламп.
Ранее для регулировки яркости ламп накаливания использовались реостаты, мощность которых была не меньше мощности нагрузки. При чем при понижении яркости оставшаяся мощность никак не экономилась, а рассеивалась бесполезно в виде тепла на реостате. При этом никто не говорил о экономии, её просто не было. А использовались такие устройства там, где действительно было нужно только регулировать яркость — например, в театрах.
Так было до появления замечательных полупроводниковых приборов — динистора и симистора (симметричного тиристора). Смотрите: Как устроен и работает симмистор. В англоязычной практике приняты другие названия — диак и триак. На основе этих деталей и работают современные диммеры.

Устройство диммера
Подключение диммера
Схема включения диммера до невозможности простая — проще не придумаешь. Он включается так же, как и обычный выключатель — в разрыв цепи питания нагрузки, то есть лампы. По установочным габаритам и креплению диммер идентичен выключателю. Поэтому установить его можно так же, как выключатель — в монтажную коробку, и установка диммера не отличается от установки обычного выключателя (Как заменить выключатель освещения). Единственное условие, которое предъявляет производитель — соблюдать подключение выводов к фазе и к нагрузке.
Все диммеры, которые сейчас есть в продаже, можно разделить на 2 группы — поворотные, или роторные (с регулятором — потенциометром) и электронные, или кнопочные, с управлением с помощью кнопок.


Поворотный диммер
При регулировании (диммировании) ручкой потенциометра яркость зависит от угла поворота. Кнопочный диммер в смысле гибкости управления более гибок. Можно подключить несколько кнопок в параллель, и управлять диммером из любого количества мест. Конечно, это теоретически, на практике количество мест управления ограничивается 3-4, а максимальная длина проводов — около 10 метров, причем схема может быть критична к помехам и наводкам. Поэтому надо строго следовать рекомендациям производителя по монтажу.
Существует также дистанционные диммеры, управляемые по радио- или инфракрасному каналу. Смотрите: Дистанционное управление освещением.
Цена у диммеров с регулятором и с кнопками отличается на порядок, ведь кнопочный диммер (например, диммер Legrand) как правило собран с применением микроконтроллера. Поэтому гораздо более распространены поворотные диммеры, которые мы и рассмотрим ниже.
Устройство и схема поворотного диммера
Устройство поворотного диммера весьма простое, но может отличаться у разных производителей. При этом основная разница — в качестве сборки и комплектующих.
Схема симисторных регуляторов в основном везде одинакова, отличается только наличием дополнительных деталей для более устойчивой работы на низких «выходных» напряжениях и для плавности регулирования.

Упрощенная схема диммера
Принцип действия схемы диммера таков. Чтобы лампа загорелась, надо чтобы симистор пропустил через себя ток. Это случится, когда между электродами симистора А1 и G появится определенное напряжение. Вот как оно появляется.
При начале положительной полуволны конденсатор начинает заряжаться через потенциометр R. Понятно, что скорость заряда зависит от величины R. Иными словами, потенциометр меняет фазовый угол. Когда напряжение на конденсаторе достигнет величины, достаточной для открытия симистора и динистора, симистор открывается.
Иначе говоря, его сопротивление становится очень мало, и лампочка горит до конца полуволны. То же самое происходит и с отрицательной полуволной, поскольку диак и триак — устройства симметричные, и им все равно, в какую сторону течет через них ток.
В итоге получается, что напряжение на активной нагрузке представляет собой «обрубки» отрицательных и положительных полуволн, которые следуют друг за другом с частотой 100 Гц. На низкой яркости, когда лампа питается совсем короткими «кусочками» напряжения, заметно мерцание. Чего совсем не скажешь про реостатные регуляторы и регуляторы с преобразованием частоты.

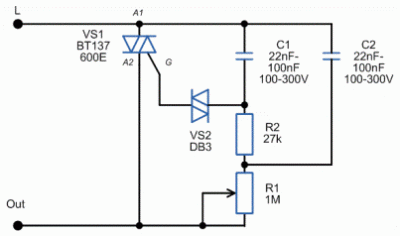
Схема поворотного диммера
Вот так выглядит реальная схема регулятора яркости (диммера). Параметры элементов указаны с учетом разброса у разных производителей, но суть от этого не меняется. Симисторы в практической схеме можно ставить любые, в зависимости от мощности нагрузки. Напряжение — не ниже 400 В, поскольку мгновенное напряжение в сети может достигать 350 В.
От величины конденсаторов и резисторов зависит начальная-конечная точки зажигания, стабильность горения лампы. При минимальном сопротивлении поворотного резистора R1 будет минимальное горение лампы.
При большом желании диммер можно попробовать сделать самостоятельно. Существует большое количество различных схем самодельных диммеров разного уровня сложности. Более подробно со схемами самодельных диммеров можно познакомится в цикле статей Бориса Аладышкина про самодельные светорегуляторы — Как сделать диммер своими руками.
Как отремонтировать диммер
В заключении — несколько слов про ремонт диммеров. Чаще всего причиной поломки может быть превышение максимально допустимой нагрузки либо короткое замыкание в нагрузке. В результате, как правило, выходит из строя симистор. Симистор можно заменить, открутив радиатор и выпаяв симистор из платы. Лучше сразу ставить мощный, на более высокий ток и напряжение, чем сгоревший. Также бывает выходит из строя регулятор, либо нарушается монтаж.
Диммер можно использовать как регулятор напряжения, подключая через него любую активную нагрузку — лампу накаливания, паяльник, чайник, утюг. Но главное — мощность диммера (другими словами — максимальный ток симистора) должна соответствовать нагрузке.
Каталог электротехнической продукции — розетки и выключатели различных производителей
Популярные публикации:
- Как установить и подключить розетку для плиты и стиральной машины
- Как проложить кабель от щитка до розетки при подключении электроплиты
- Подключение электроплиты и стиральной машины в системе TN-C
Надеюсь, что эта статья была для вас полезной. Смотрите также другие статьи в категории Электричество в доме, Электрические приборы и устройства, Выбор и установка розеток и выключателей
Подписывайтесь на наш канал в Telegram: Мир электричества
Здесь можно оствавить комментарий, задать вопрос и просто пообщаться:
Чат по электротехнической тематике
О сайте Электрик Инфо и авторах статей